手动阀
GLV-10F
* JIS 10KFF法兰连接的球墨铸铁截止阀。
* GLV-10F可广泛用于蒸汽、空气、水或油的应用。

手动阀
* JIS 10KFF法兰连接的球墨铸铁截止阀。
* GLV-10F可广泛用于蒸汽、空气、水或油的应用。

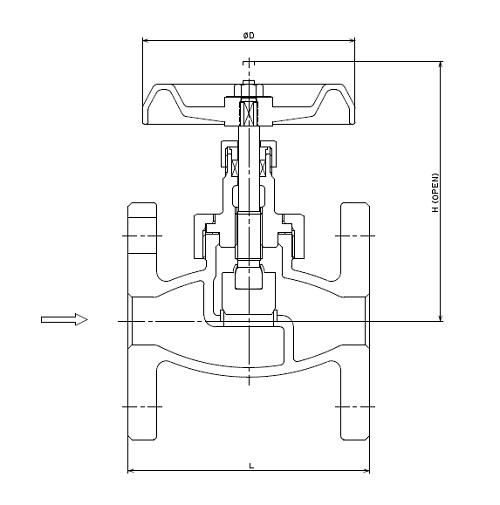
| 种类 | 截止阀, 10K 法兰盘型 | |
|---|---|---|
| 仕様 | 产品种类 | 截止阀 |
| 口径 | 15A (1/2") - 50A (2") | |
| 适用流体 | 蒸汽・空气・水・油・其他非危险流体 | |
| 连接方式 | JIS 10KFF 法兰盘型 | |
| 最高压力 | 1.4 MPa (※1) | |
| 最高温度 | 300 ℃ (※1) | |
| ※1 | 工作压力和温度之间的关系是根据JIS B2051压力-温度标准。 | |
| 材料 | 阀体 | 球墨铸铁 |
| 阀盖 | 球墨铸铁 | |
| 阀瓣 | 不锈钢(SUS403) | |
* 出厂时,阀门为关闭状态。

| Size | D1 | L | H | 重量 |
|---|---|---|---|---|
| 15A(1/2") | 83 | 108 | 126 | 2.1 |
| 20A(3/4") | 105 | 117 | 135 | 2.3 |
| 25A(1") | 112 | 127 | 150 | 4.1 |
| 32A(1-1/4") | 132 | 140 | 162 | 5.6 |
| 40A(1-1/2") | 132 | 165 | 183 | 6.8 |
| 50A(2") | 132 | 203 | 186 | 9.1 |
GLV-10F球墨铸铁法兰截止阀
扫描二维码分享到微信